氣源處理件 — G系列減壓閥
訂貨型號

技術參數
| 型號 | GR200-06 | GR200-08 | GR300-08 | GR300-10 | GR300-15 | GR400-10 | GR400-15 |
| 工作介質 | 空氣 | ||||||
| 接管口徑 | PT1/8 | PT1/4 | PT1/4 | PT3/8 | PT1/2 | PT3/8 | PT1/2 |
| 使用壓力范圍 | 0.15-0.9Mpa | ||||||
| 保證耐壓力 | 1.5Mpa | ||||||
| 使用溫度范圍 | -5~60℃(未凍結) | ||||||
| 重量 | 150g | 350g | 720g | ||||
帶逆流閥功能
| 型號 | 最大流量 L/min (ANR) | 濾芯精度 | 逆流閥代碼 | 使用壓力范圍 MPA | 選項/說明 |
| GR200 | 3500 | 40um或um | 空白:不符逆流閥 K:附逆流閥 | 0.15~0.9 | 環境及流體溫度: -5?60℃未凍結 |
| GR300 | 5000 | ||||
| GR400 | 7500 |
圖形符號

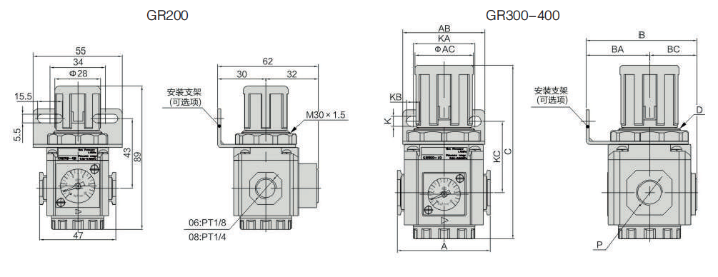
外型尺寸

| 型號 | A | AB | AC | B | BA | BC | C | D | K | KA | KB | KC | P |
| GR300-08 | 60 | 53 | 38 | 72 | 41 | 31 | 114 | M40x1.5 | 6.5 | 40 | 8 | 46 | PT1/4 |
| GR300-10 | 60 | 53 | 38 | 72 | 41 | 31 | 114 | M40x1.5 | 6.5 | 40 | 8 | 46 | PT3/8 |
| GR300-15 | 60 | 53 | 38 | 72 | 41 | 31 | 114 | M40x1.5 | 6.5 | 40 | 8 | 46 | PT1/2 |
| GR400-10 | 80 | 72 | 52 | 90 | 50 | 40 | 140.5 | M55x2.2 | 8.5 | 55 | 11 | 53 | PT3/8 |
| GR400-15 | 80 | 72 | 52 | 90 | 50 | 40 | 140.5 | M55x2.2 | 8.5 | 55 | 11 | 53 | PT1/2 |
以上產品參數及圖片僅供參考,請以實物為準。